纳芯微智能隔离栅极驱动NSI67x0助力电驱小型化与高可靠设计
来源:纳芯微电子
随着电机驱动器对性能、安全及小型化的要求不断提升,芯片集成度面临更高挑战。纳芯微Prime Drive系列NSI67x0智能隔离栅极驱动凭借其集成的保护功能与模拟信号采样,为应对这一发展趋势提供了解决方案。
本应用报告提供了NSI67x0的应用框图和实测波形。NSI67x0所集成的高精度模数转换通道不仅能减少物料清单(BOM)数量、缩小电路板尺寸,还能简化设计流程,为客户系统高可靠运行保驾护航。
01智能隔离栅极驱动NSI67x0基本信息
1.1. 内部ESD结构说明
NSI67x0内部ESD结构如图所示,控制侧所有引脚均连接至GND1的ESD保护二极管,用蓝色表示。除FLT与RDY引脚为开漏输出外,其余引脚同时连接至VCC1的ESD保护二极管,用绿色表示。VCC1与GND1之间设置有主ESD二极管,用红色表示。驱动侧的所有引脚均配置至VCC2和VEE2的ESD保护二极管中,OUTH至VCC2、OUTL至VEE2以及CLAMP至VEE2为功率MOSFET的体二极管,用黄色表示。

图1.1 内部ESD结构
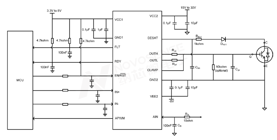
1.2. 典型应用电路

图1.2 典型应用电路
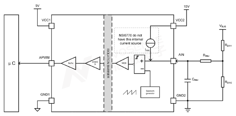
02AIN-APWM模拟采样功能
2.1. 功能描述
NSI67x0系列智能隔离栅极驱动具有一个隔离式的模拟通道,无需额外器件即可实现对信号的隔离检测。模拟输入(AIN)引脚可接收0.3V至4.6V的信号,该信号通过比较器和锯齿波形转换为PWM信号。然后,这个PWM信号经过编码传输到控制侧,在APWM引脚输出一个频率为10khz的方波信号,其占空比在8%至94%之间随AIN电压线性变化,在电压范围两边存在迟滞区间。
在0.2V-0.3V之间,占空比会在94%-98%随机变化。在4.6V-4.8V之间,占空比会在2%-8%随机变化。由于AIN的输入范围是0.3V至4.6V,对于以0V为中心或参考0V的输入信号,需要增加直流偏置并对信号进行衰减或放大,以便充分利用整个输入范围。AIN引脚漏电流小于20nA,在精度计算时可以忽略不计。

图2.1 AIN-APWM应用框图

图2.2 APWM占空比 vs AIN电压值
2.2. AIN-APWM实测波形
通过在AIN引脚上测试从0.3V到4.6V的阶跃响应输入,并捕获显示PWM占空比从94%下降到8%的APWM引脚输出波形,来确定隔离模拟通道的响应时间,该响应时间小于100us,即1个APWM的周期。

图2.3 APWM对于阶跃信号的输出响应
PWM占空比可由MCU直接测量,也可通过RC滤波器以去除高频载波信号后再测量。展示模拟信号输入到MCU时的响应时间。由于输入与输出呈反比关系,该信号进行了取反操作。

图2.4 RC滤波参数

图2.5 RC滤波后的APWM对于阶跃信号的输出响应
使用高精度的台式电源在AIN引脚施加直流输入,测量APWM输出端占空比并与理论值比较。测试结果表明,APWM占空比的绝对误差极小,可实现精确测量。

图2.6 APWM通道的绝对误差
03测量功率管模块结温应用说明
3.1. NTC特性介绍
在电力电子应用中,功率管模块的结温是其重要的参数之一,市面上许多功率管厂家都会在模块内部靠近硅片的位置安装一个NTC热敏电阻作为温度传感器使用。通过NSI67x0系列集成的AIN-APWM功能测量功率管模块结温,便是其常见的应用之一。
但是,功率管模块内部集成的NTC电阻往往具有非线性的特点,在低温下会有几百kΩ,而在高温下只有几十Ω,给测量带来了极大的困难。如果要实现高精度的测量通常需要有高精度的器件配合复杂的校正算法。这里纳芯微提供几种常用的测量方法供参考。

图3.1 市面上某模块NTC阻值特性
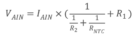
3.2. 方法一 内部恒流源直接测量
NSI6730系列AIN引脚内部自带一个200uA的恒流源,线性范围为0.3V-4.6V。直接将电流源接在NTC电阻上,显然会在高低温条件下会超出量程范围。因此,需要通过串联R1来增加高温下的被测阻值,并联R2来减小低温下的被测阻值。为了减小误差以及电阻温漂的影响,尽可能选用千分之一精度的电阻。AIN引脚的电压计算公式如下:


图3.2 内部恒流源直接测量电路原理图
采用该测量方法,具有成本低、电路结构简单、外围器件少、便于采样精度计算等特点。缺点则是受限于内部电流源精度,测量精度较差。
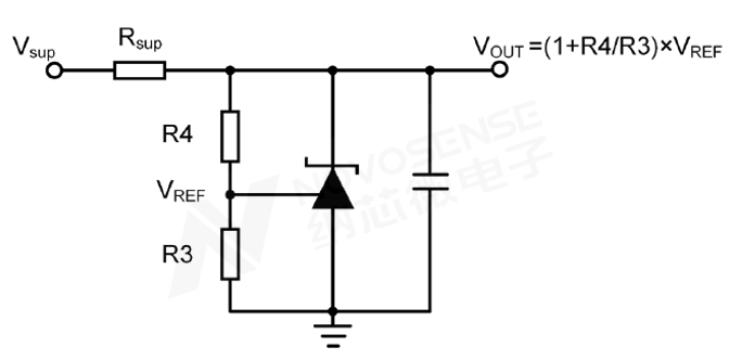
3.3. 方法二 外部搭建电压源测量
如果要使用外部搭建电压源测量的方法,优先推荐使用纳芯微NSI6770系列,AIN引脚内部无电流源的版本,去除电流源带来的影响以提高采样精度。NSI6770系列专为该应用场景打造。
采用此方法时需要外部构建一个高精度的电压源,推荐使用精密基准构建一个外部5V电压源,具体电路原理图如下。

图3.3 采用精密基准搭建5V电压源
通过选取合适的R1和R2,充分利用AIN采样的线性区间。需要注意的是,R1的阻值不宜选的太小,选的太小会导致损耗增加,加热NTC,影响测试结果。也不宜选的太大,R1电阻太大,会影响高温时的采样精度。因此需要根据所选用的功率管模块内部的NTC电阻特性,匹配合适的电阻阻值。
以市面上某功率模块为例,NTC热导率为145K/W。假设测到120摄氏度时允许1K的温度偏差,则内部NTC的功率损耗不能超过PMAX=6.9mW。若此时NTC电阻阻值为90Ω,则电流必须要小于8.76mA。因此R1电阻值必须大于480ohm。


图3.4 电压源测量电路原理图
3.4. 方法三 软件查表法
基于方法一和方法二中提及的NTC电阻采样电路,配合软件查表法可以进一步提高采样精度。具体实施方案如下。
根据功率管厂家给出的NTC阻值和温度的关系,结合所使用的AIN采样电路结构,可以计算得到AIN电压值和温度的关系,通过AIN电压值和APWM占空比的转化公式,进而整理得到APWM占空比和温度的关系表,将该表输入至MCU。实际应用中可以通过查表法配合多项式插值进一步提高算法精度。当MCU读到占空比时,可以通过查表得到所属区间,再通过多项式差值法,求得对应温度。
出厂前需要对AIN电压值进行单点或多点校正,得到校正系数后,在后续测量过程中,将测量结果乘以校正系数进行校正。
关于校正系数计算说明,首先选择室温25℃作为参考点。将高精度温度计与设备放置在同一恒温环境,记录此时标准温度计的温度值Tref 。使用示波器测量实际的APWM占空比Dref 。通过公式计算修正系数。如果高低温误差较大。也可以进行分段校正。

3.5. 误差计算
在确定了一个合适的采样电路之后,便需要对于该采样电路的误差进行计算。这一步非常重要,一个合理的误差分析有利于判断采样结果的可信度以及评估系统的容错能力。
采样方法二为例,计算误差主要考虑的因素有:NTC阻值的偏差、电压源的偏差、串并联电阻精度偏差以及AIN-APWM占空比转化的偏差。每一个因素都可视为一个随机误差,彼此之间相互独立,且满足正态分布。因此根据统计学误差分析,适用“方和根法”来计算合成误差。具体公式如下:

其中,σi为第i项的随机误差的标准差,σ总为合成后的总随机误差。
以25℃时的正向偏差温度为例,首先将25℃时的所有参数都选为典型值得到这个温度下AIN电压的典型值,再通过公式计算得到APWM占空比的典型值。当考虑NTC阻值偏小带来的影响时,将其余变量选取典型值参与计算。将所得AIN采样电压值通过公式转换成APWM占空比,再与典型值相减得到正向占空比偏差。将25℃时的占空比典型值减去24℃时的占空比典型值得到每摄氏度对应的占空比变化。将正向占空比偏差除以每摄氏度对应的占空比变化即可得到——25℃时受NTC阻值偏小带来的正向偏差温度。同理,电压源偏小、R1阻值偏大、R2阻值偏小、占空比转换偏小都会导致温度正向偏差。依次求解,最终将所有正向偏差温度根据方和根法求解得到最终的正向偏差温度。循环上述操作步骤即可得到全温度范围的偏差。

图3.5 误差计算流程图
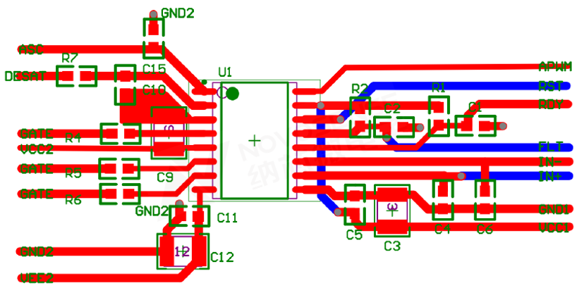
04PCB推荐布局
旁路电容应靠近NSI67x0放置,分别连接在VCC1与GND1、VCC2与GND2以及VEE2与GND2之间。
输入侧的电源的去耦电容建议通过单点接地以避免寄生电感上的电压尖峰可能会影响内部控制逻辑。
NSI67x0对外部功率晶体管栅极进行充放电的开关电流较大,这会导致电磁干扰(EMI)和振铃问题。应通过减小环路面积并将NSI67x0靠近功率晶体管放置,来尽量降低此环路的寄生电感。
VEE2引脚和VCC2引脚可以通过大面积铺铜以实现散热。如果系统有多层VEE2或VCC2,则使用多个尺寸合适的过孔进行连接。
为确保初级侧和次级侧之间的隔离性能,芯片下方的空间不应有平面层、走线、焊盘或过孔。

图4.1 推荐布局
纳芯微电子(简称纳芯微,科创板股票代码:688052;香港联交所股票代码:02676.HK)是高性能高可靠性模拟及混合信号芯片公司。自2013年成立以来,公司聚焦传感器、信号链、电源管理三大方向,为汽车、工业、信息通讯及消费电子等领域提供丰富的半导体产品及解决方案。
纳芯微以『“感知”“驱动”未来,共建绿色、智能、互联互通的“芯”世界』为使命,致力于为数字世界和现实世界的连接提供芯片级解决方案。
