技术资讯 I 刚柔结合印刷电路板设计
将柔性电路的所有特性与充分利用高密互连(HDI)技术的刚性电路板相结合,堪称当代重大技术突破。该设计可成功避开板对板堆叠连接器或典型的柔性电路。如果我们曾尝试将柔性电路与堆叠连接器进行对插,就会发现这是整个工艺中的一个瓶颈——这种“盲插”操作极度考验手感,稍有不慎就可能因对准偏差而导致连接器损坏。
刚柔结合设计既集二者之长,亦纳二者之短。首先,如果团队采取这种方式,就表明他们非常重视所有可能的集成。虽然这两种技术本身认可度都很高,但目前刚性阵营规模更大,认可度更高。
柔性电路的独立应用
柔性印刷电路(Flexible Printed Circuits, FPC)所需要的不仅仅是改变材料,而是改变更坚固的同类产品。必须在数据中设计额外容差。其中一个重要原因是制造过程中会有各种不同类型的材料堆叠。在大多数情况下,柔性板也会有刚性部分,用于安装连接器。此外,强化区域还可以扩展,以安装静电放电(ESD)保护装置、发光二极管(LED)或麦克风等,非常灵活。

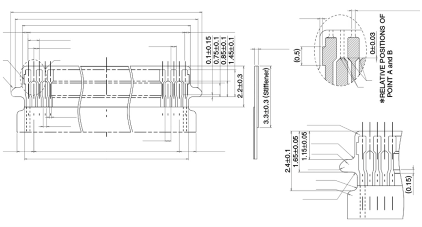
图 1:具有交错引脚的印刷连接器。图片来源:Hirose
可印在柔性板上的零插入力(Zero Insertion Force, ZIF)连接器就是一个很好的例子。如果采用这种方法,在柔性板尾端有一个加强筋,为引脚提供支撑。将加强筋插入配对连接器,然后按下连接器上的操纵杆,将柔性电路板尾翼锁定到位。无论是纯柔性板还是刚柔结合板,比起堆叠连接器,使用 ZIF 连接器组装会更加简单。
刚柔结合用例举例
柔性电路板应用非常广泛,例如,在可穿戴技术的设计方案中,如果在柔性板中间粘上一个加强筋,随即将出现一些圆形岛屿。器件如小群落般聚集在加强筋岛屿上方,而电路则从四周经过。刚性区域被集成到增强现实头盔中,分布在耳朵等位置。
像眼球追踪这类应用需要更复杂的设计方案。无论选用什么样的介质材料,12 层板都无法做成纯柔性板。半柔性板(Semi-flexible boards)可以考虑;同时,刚柔结合板(Rigid-Flex)的优势在于能让我们在需要的局部区域实现多达十几层的复杂布线。
此外,柔性芯板(Flex core)从硬板中延伸出来,专门用于处理特定的一组信号线。常见的配置是在 8 层或 10 层板中嵌入 3 层柔性层。采用奇数层设计也并不罕见,比如为了追求极致的柔韧性,可以从单面柔性层开始构建叠层。

图 2:注意柔性芯材从刚性部分延伸出来的半径;该设计与环氧树脂磁珠一起为柔性板尾翼释放应力。图片来源:Cadence
刚柔结合的优势
聚酰亚胺芯材堆叠让刚性区具备了双面贴片的能力。通常情况下,这类产品的外形尺寸要求是“越小越好”;既然选择了这种高精尖方案,说明我们所面对的设计问题必定非常复杂。于是,球栅阵列(BGA)封装及其相关的各类微型元器件便登场了。小型 BGA 通常作为大型 BGA 的辅助电路,它们可能会分布在刚挠结合板中不同位置的其他硬板区域。
延续增强现实(A/R)主题,其中一个用例是柔性天线延长线,天线的位置和方向是整个产品轮廓的一部分。无线电芯片位于刚柔结合电路板上,因此远程天线为柔性附属物的一部分。此类特殊情况可能还需要配备专门的电磁干扰(EMI)屏蔽层。
这种 EMI 抑制材料必须焊接到为此专门铺设的接地网上。由于 EMI 薄膜是最后贴上去的,因此需要在覆盖膜上切割一系列小槽,以露出这些区域。在设计时,必须在额外的物理层充分考虑并体现这些细节。
追求共存
共存始终是首要考虑的问题,尤其是在设计初期阶段。一旦有了可行的解决方案,就可以尝试取消保障措施,看看是否仍然符合设计标准。这就是我们所说的精益设计,即通过迭代减少元件数量。但实际上,在设计初期也很可能需要更多滤波器或其他改进,从而导致元件数量增加。
如果您已经熟悉柔性板工艺,就会知道从强化区域到柔性区域过渡正是痛点之一。退出刚性区域也是如此。聚酰亚胺贯穿整个刚性区域,并延伸出柔性分支到达目的地。这些目的地既可以是结构与主硬板区完全一致的全新电路板,也可以采用常见的加强筋和连接器方案。

图 3:与刚柔结合设计相比,分段电子元件拥有无尽的选择。图片来源:Cadence
我们无法在同一个设计中实现一处是 4 层板、另一处是 10 层板。因为所有部分都是像“层压蛋糕”一样同时压合而成的,所有多层刚性区域的层压工艺必须完全一致;只有在柔性板末端的出线端,我们才能应用各种常规的柔性板几何结构。虽然通常习惯在那端放一个连接器,但实际上它可以是任何能够实现在单面柔性电路组件(Flexibe Printed Circuit Assembly, FPCA)上实现的器件组合。
在刚柔结合印刷电路板(PCB)上
布设受控阻抗线路
这种情况经常出现:我们希望将一些差分对从刚性区域延伸到柔性区域。假设采用 3 层柔性电路板,外层为接地网,信号位于法拉第笼内;这是实现受控阻抗的前提条件。信号位于柔性叠层的中心位置,处于柔性叠层的中性层,可减少信号所受应力。相比之下,若采用双层结构,弯折区域则会对走线产生严重的拉伸或挤压。
我们希望对刚性区域从内到外保持阻抗一致。具体做法就是在聚酰亚胺的外层继续伴随走线铺设网格。超出受控阻抗布线区域之后,柔性板外层更有可能使用实心铺地;此举虽牺牲了一定的柔韧性,但能为传输线提供更稳定的上下参考平面。
如果想减少因连接器固有的失效模式和组装挑战带来的问题,刚柔结合板或许是个不错的选择。虽然无论是在布局规划,还是适应制造商局限方面都需要更多时间投入,但在组装方面的优势足以弥补前期投入。可靠性的提升只是锦上添花,同时实现刚板的稳固和柔板的灵活才是重点。
