了解Qorvo PAC2xxxx系列电池管理系统的硬核实力
本文作者:Jonathan Dodge
我正打算购买一台电池驱动的割草机,恰好在庭院旧货摊上看到了一台。“这机器就用过两次。”卖家说道,这时我又注意到旁边还有一台一模一样的。它的价格只有新机的一半,于是我便买下了它,开心地把它推回了家。这台割草机用起来很棒:运行安静、动力充沛,修剪出的草坪整齐美观。然而,割完草后,我取出电池,把它插进充电器,结果充电器闪起了红灯,拒绝为其充电。“现在我知道它为什么要出售了。我真傻,居然冒险买下。”我暗自责备自己。
此时,我面临一个抉择:我可以买一块新电池,但要是新电池也有问题怎么办?那样的话,我花的钱几乎跟买一台新割草机差不多了,而且还没有保修。一想到要重新用回汽油动力割草机,就很抵触,尤其是在体验过电池驱动割草机的安静与便捷之后。不,我不会回头的;我选择了另一种办法。
我在功率电子领域工作多年,所以有足够的信心拆开电池外壳,取出那组整齐排列的锂基电池电芯。用万用表一测,很快就发现有一个电芯的电压比其它所有电芯都低。“怎么会这样?”我纳闷,“这电池几乎还是新的啊。”我想,或许是这个电芯有缺陷,整个电池组也就成了废品。反正也没什么可损失的,我就把可编程电源接在那个电压低的电芯两端,小心翼翼地、慢慢地给它充电,直到它的电压和其它电芯一样。(请注意,我在高功率、高压电源转换器领域工作多年,所以对这类操作已经习以为常。如果你缺乏专业知识和设备,请不要尝试对锂电池组进行操作)。
重新组装好电池后,充电器成功识别并为其充电。草坪修剪工作顺利完成,于是我又拆开电池,想看看是否还有电压持续偏低的电芯。令我惊讶的是,所有电芯的电压几乎完全一致。我重复了这个过程几次,结果都一样。电池没问题,不再存在电压弱的电芯。“哇,我买下那台割草机可真明智!”我心想,接着又想到,“这肯定是电池管理系统(BMS)缺乏电芯均衡功能所致。要是制造商使用Qorvo的BMS,其电池保修退货率恐怕会直线下降。”
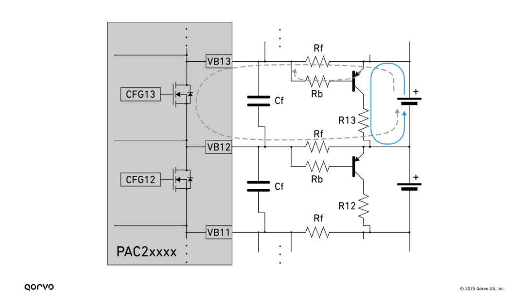
其工作原理是这样的。PAC2xxxx系列的每个BMS都能通过对电压较高的电芯进行交替式部分放电来实现电芯电压均衡,放电过程中产生的热量会通过功率晶体管和电阻耗散出去。这是一种非常简洁且极具成本效益的方案,尽管它在技术上并非最为复杂、尖端。

图1,PAC2xxxx电芯均衡电路的一部分,带有外部晶体管和负载电阻
其内部的25Ω MOSFET可支持高达50mA的电流,该限值主要受内部发热制约。然而,户外工具通常需要更大的均衡电流,因此内部MOSFET被用来控制外部晶体管,让更大的电流通过负载电阻。这种方式可对电池组中任意位置的高电压电芯进行部分放电。通常情况下,会有多节电芯电压偏高;我的电池当时正是这种情况。随后,PAC2xxxx BMS会在各电芯之间交替操作,从每节电芯中“汲取”少量能量,直至所有电芯电压达到紧密均衡。这个均衡过程通常在电池充电时进行,不过PAC2xxxx也可以编程设置为随时执行电芯均衡。
当然,PAC2xxxx系列电池管理系统所具备的功能远不止均衡电芯电压。其中,PAC25140尤为引人注目;它搭载150MHz、32位Arm Cortex-M4F微控制器,配备浮点运算单元以及硬件乘除法器。每款PAC2xxxx BMS都采用了高度集成的设计,能够执行以下功能:
精准测量所有电芯的电压及电流
监测温度
在紧急状况下自动切断电池电流
电池闲置时断开连接
为所有内部电路提供电源管理
电芯电压均衡需要极高精度的电压测量,为此,每款PAC2xxxx BMS均配备一个专用于电芯电压测量和安全检查的16位模数转换器(ADC)。同时,电池电流的测量同样也需要高精度,以支持用于电量计和服务寿命计算的库仑计数法。为此,由一个高精度、可编程增益差分放大器驱动的第二个16位模数转换器承担此项任务。

图2,PAC2xxxx局部示意图,展示了电池断开/断路器MOSFET及其内部驱动器,还有自控制熔断器驱动器
每一款PAC2xxxx都配备了全面的保护功能。例如,其内部集成了保护电路及用于驱动外部MOSFET的驱动器;二者协同工作,共同实现电池断开与电路断路器的功能。两颗MOSFET可分别阻断双向电流,自动切断任何故障电流,并在设备闲置时将电池与电源端子断开。这些MOSFET可分别连接至充电器和负载,从而节省用于阻断充电器的MOSFET成本。第三个MOSFET可选配激活自控熔丝功能。
最后,电源管理十分简便。集成的高压降压转换器仅需要一个电感器、一个二极管以及几个电容器。推荐使用的元件列在数据手册或评估套件中。

图3,带有自举栅极驱动电源的PAC2xxxx电源管理降压转换器
总而言之,这篇关于挽救一块“故障”割草机电池的真实案例,阐释了高效电池管理系统的重要性。锂离子电芯的不均衡可能导致原本性能良好的电池寿命急剧缩短。Qorvo的PAC2xxxx BMS系列通过电芯均衡、精确的电压和电流测量,以及集成保护功能解决了这一难题,为户外电动设备构建了可靠的解决方案,使其运行时间和使用寿命达到最大化。
