四种不同类型开关电源的工作原理和特点
一、反激
1.1工作原理
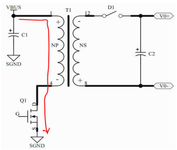
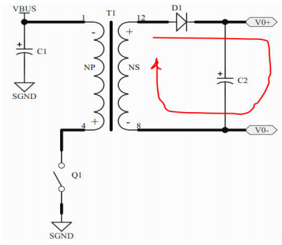
Ton 阶段储能回路:VBUS---变压器初级绕组 NP---开关管 Q1 --SGND Toff 阶段放电回路:变压器次级绕组 PIN12---次侧二极管 D1---负载---变压器次级绕组 PIN8。

图1 Ton阶段等效回路

图2 Toff阶段等效回路

图3 反激VDS实测波形
1.2特点
线路简单,PWM(脉宽调制)控制适应于全电压输入,为保证安全工作一般占空比设置<0.5(Ton/Toff), 属于硬开关对 mos 体内寄生二极管无速度要求,即在Ton周期时间内变压器完成储能过程;在Toff时间周期内释放能量并完成变压器消磁复位,有效防止变压器磁饱和;对于变压器漏感要求较高,漏感大易产生高尖峰电压,故相对对MOS.SKY 电压应力要求高。
1.3如何选择功率器件
以 12VDC 输出电压为例,如何选择功率器件。
1:主开关管 Q1 耐压选择:
VDS反射电压 Vor=(Vo+Vf)*N N 为变压器匝比 (N=7.2)变压器漏感产生的尖峰电压, 与变压器漏感相关,漏感越小尖峰电压越低,假设为 100V;
漏感大小与磁芯形状与变压器绕制工艺方法相关联,通常三明治绕法绕出来的漏感较小;
反射电压 Vor=(Vo+Vf)*N=(12+0.7)*7.2=91.5
Vds=Vinmax+尖峰电压+反射电压
=353+100+91.5=544.5V取 10%的余量,故选择600V的MOS。
2:二次侧整流二极管 D1 的反向耐压选择
VKA=(V0+Vf)+(Vinmax/N)=12.7+353/7.2=61.73V为留有余量,故选用 100V 反向耐压整流管。
3:关于器件电流的选择,当然有一定的计算经验值可以做为参考,实际通过器件电流大小直接牵涉到器件本身的发热量,加没有加散热器,封闭式还是敞开式都与散热有非常大的关系,根据实际应用情况故一般以实验最终结果来选择器件电流的大小。
二、双管正激
2.1工作原理
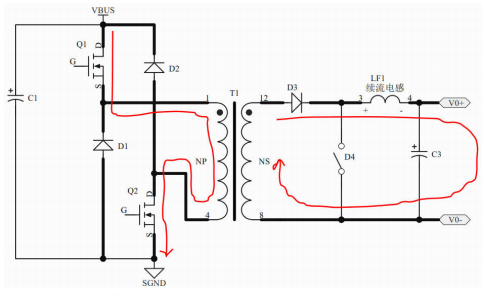
Ton 阶段 Q1 Q2 同时开通:VBUS---开关管 Q1---变压器初级绕组 NP---开关管 Q2---Rsense---SGND.由于同名端的原因二次侧整流二极管 D3导通,按照设计匝比输出所需电压,与此同时对续流电感 LF3 储能充电。
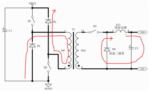
Toff阶段Q1 Q2同时关断: 根据楞次定律的原理(感生电动势的变化总是阻碍原电动势的变化),变压器初侧同名端发生变化,此时呈现的效果是变压器初侧电压钳位,在每个开关管和一次侧绕组之间,各并联一个续流二极管 D1 D2,当 Q1 Q2 关断时,变压器初侧储能有一个泄放通路,经过 D1 D2 回馈到高压电解电容 C1,对电解电容进行放电,D1 D2 起到变压器初级复位消磁的作用,并将 Q1 Q2 所承受的电压钳位在输入电压 VBUS;消磁复位路径: 变压器初级 PIN4---二极管 D2---高压电解电容 C1---SGND---二极管D1---变压器初级 PIN1 同理二次侧续流电感 LF1 同名端极性发生改变,续流电感LF1 通过续流二极管 D4 向负载释放能量;经过 Ton Toff 一开一关完成了一个完整周期,周而复始。

图2 Q1、Q2同时开通初侧二次侧等效电路

图3 Q1、Q2同时关断初侧二次侧等效电路
线路优点:它的每一个桥臂都是由一个二极管和一个开关管串联组成,因此从线路结构上来说不存在桥臂直通的问题,可靠性高这是双管正激最显著的特点。
2.2 特点
线路较复杂,控制方式适应于单电压输入,加 PFC 功率因数校正可实现全电压输入,两开关管 Q1 Q2 同时开通同时关断;为保证安全工作一般占空比设置<0.5(Ton/Toff),驱动功率大,属于硬开关对 MOS 体内寄生二极管速度无特殊要求,转换效率不高一般在 85%-88%之间,相对于 LLC 谐振线路好调试;一般用于便宜的低阶市场。
2.3如何选择功率器件
1:主开关管 Q1 Q2 耐压选择: VDS由于被二极管 D1 D2 钳位,MOS Q1 Q2 所承受电压就是 VBUS 电压;
VDSmax=VBUS=264*1.414-20=353V,选择500V MOS 即可;
2:二次侧整流二极管 D3 D4 的反向耐压选择:
VKA=(V0+Vf)+(Vinmax/N)=12.7+353/7.2=61.73V为留有余量,故选用 100V 反向耐压整流管。
三、LLC谐振半桥
3.1原理
工作原理概述: 实际上有六种工作状态,我们只描述最重要的两种状态;上下两管轮流交替导通;
当 Q1 导通,Q2 截止状态: 充电回路 VBUS--Q1--谐振电感 Lr---主变压器 NP---谐振电容Cr—SGND,此时主绕组 NP 储存能量,与此同时二次侧同名端 D1 导通,异名端 D2 截止,根据匝比经电解电容 C2 滤波输出所需电压;如等效电路 (图 2)
当 Q1 截止,Q2 导通状态: 放电回路 主变压器 NP(PIN2)--谐振电容 Cr---Q2(起续流作用)--谐振电感 Lr--主变压器 NP(PIN1),与此同时一次侧二次侧由楞次定律,同名端极性改变, D1 截止,D2 导通,根据设计匝比,经过电解电容 C2 滤波输出所需电压;如等效电路 (图 3)。
谐振半桥 LLC 优点:转换效率高,对功率零器件电压应力要求低。

图2 充电回路等效电路;Q1 开通 Q2 关断初侧二次侧等效电路

图3 放电回路等效电路, Q1 关断 Q2 开通初侧二次侧等效电路
3.2特点
线路较复杂,PFM控制方式适应于单电压输入,加PFC功率因数校正电路可实现全电压输入,(一般固定架构就是 Active PFC+LLC 半桥)为保证安全工作一般占空比设置为=0.5(Ton/Toff),驱动信号驱动两开关管 Q1 Q2 轮流交替工作呈互补关系,且两驱动信号之间留有死区时间,一般是 350nS 比较新的驱动方案带有自动死区调节功能更安全,驱动功率大;属于软开关对 MOS体内寄生二极管 Trr 有速度要求,转换效率高一般>90%,一般应用于对转换效率高有卖点的场合。
3.3如何选择功率器件
以 12VDC 输出电压为例,如何选择功率器件。
1:主开关管 Q1 Q2 耐压选择: VDS MOS Q1 Q2 所承受电压就是 VBUS 电压; VDSmax=VBUS=264*1.414-20=353V,选择 500V MOS 即可;
2:二次侧整流二极管 D1 D2 的反向耐压选择
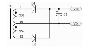
如下图所示次级绕组 NS1.NS2 都为 12V 电压,当 D1 导通 D2 截止,此时 D2 所承受的理想状态反向电压为 12*2=24V, 考虑到要留有余量以及选择通用型器件,综合考量故选用 40V 的 SKY。

图4 次级绕组
四、反激QR准谐振模式
4.1工作原理
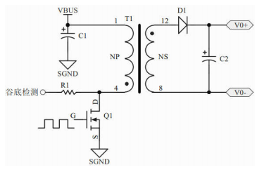
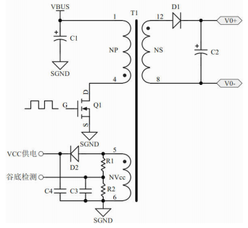
反激谐振模式 QR 与普通反激线路上有差异(详见图 1、2),多了一路波谷检测电路,主要作用是减小开关振荡次数降低损耗,有利于提高转换效率,降低 EMI 发射量。
工作原理:只有反激式开关电源才有准谐振 QR 这个概念,检测原理是 VDS 电压处于下降阶段并产生多次振荡,当检测到第一个振荡波第一个谷点(详见图 3),开关 MOS 开通余下振荡波形都可以避免出现,故这样做即减小了多次振荡损耗,也降低了 EMI 发射量。
谷点检测:两种检测方式:一种是在变压器主绕组NP上做检测,另一种是在VCC绕组上做检测。

图1 谷底检测电路

图2 谷底检测电路

图3 谷底检测
4.2特点
线路简单,是普通反激线路改进型线路,PWM 控制方式适应于宽范围电压输入,为保证安全工作一般占空比设置为<0.5(Ton/Toff),为什么叫准谐振?因为准谐振是比较接近于谐振电路模式,但不是真正意义上的谐振。成本低、转换效率接近90%,一般应用于对转换效率高有卖点的场合。
五、各线路相同的地方以及主要区别
1、反激、双管正激、LLC 谐振半桥 前端都可以加功率因数线路 PFC;
2、 反激、双管正激、LLC 谐振半桥 二次侧都可以加同步整流方案,以实现驱动 SR-MOS,提高转换效率;
3、反激、双管正激属于硬开关,对高压开关 MOS 体内寄生二极体 Trr 没有严格的要求,LLC谐振半桥属于软开关对高压开关 MOS 体内寄生二极体 Trr 有要求,最好在 100-200nS;
4、通过前面的分析可知除开反激要用到 600V 及以上的 HV MOS,余下双管正激、LLC 谐振半桥 500V HV MOS 都够用; 反激式开关电源有其自身的特点,主要是由于反激式电源/反激QR 的反射电压和漏感尖峰电压遭成了比较高的 VDS(详见1.1 图3 反激VDS实测波形),且变压器漏感真实存在,只能减小不能消除。
