瑞萨RA-Eco-RA6E2-64PIN-V1.0开发板介绍及环境搭建指南
本文转自RA生态工作室:
瑞萨“RA MCU众测宝典”环境搭建专题再添实用干货!这次咱们聚焦高性能入门级开发板——【RA-Eco-RA6E2-64PIN-V1.0】。
本文介绍了RA-Eco-RA6E2-64PIN-V1.0开发板的基本信息,包括产品特点、参数资源、开发环境搭建以及工程测试等。
开启宝典
介绍
RA-Eco-RA6E2-64PIN-V1.0是一款基于100MHz ArmCortex-M33内核架构的核心板;
主控芯片为R7FA6E2BB3CFM;

RA6E2组是RA6系列中最新的入门级微控制器,基于带有TrustZone的200MHz ArmCortex-M33内核;
RA6E2作为入门级微控制器,在追求成本优化的同时提供了最佳的性能;
RA6E2与RA4E2组的引脚和外设兼容,使其成为要求更高性能、小尺寸和低引脚数的应用的理想选择。
外观
Top view

Bottom view

资源参数
1个复位按键
1个用户按键
2个LED
2个PMOD接口
板载USB转TTL模块,可用于串口通信和烧录
板载SWD接口,方便用户调试与下载
200MHz的Arm Cortex-M33,具有TrustZone功能
256KB的闪存和40KB的SRAM
4KB数据闪存,类似EEPROM数据存储功能
1KB待机SRAM
64引脚封装
USB 2.0全速
CAN FD,I3C
HDMI CEC,SSI
Quad SPI
12位A/D转换器
12位D/A转换器
通用PWM定时器
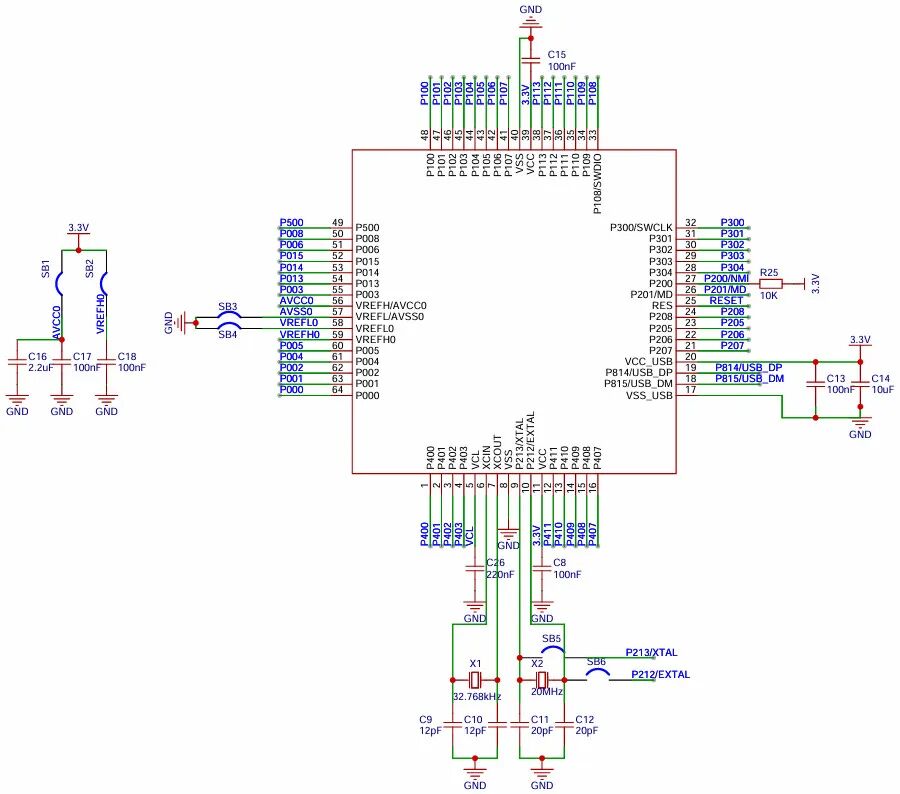
原理图
USB

MCU

I3C

外设

引脚

电源

详见:
(您可复制下方链接至浏览器,或扫描二维码进行查看)
RA-Eco-RA6E2-64PIN-V1.0:RA-Eco-RA6E2-64PIN-V1.0开发板资料
https://gitee.com/ramcu/ra-eco-ra6-e2-64-pin-v1.0
开发环境
开发环境支持e2studio和Keil,这里主要介绍和使用前者。
下载并安装瑞萨FSP(flexible software package)灵活配置软件包。(您可复制下方链接至浏览器,或扫描二维码进行查看)
瑞萨FSP(flexible software package)灵活配置软件包
https://www.renesas.cn/zh/software-tool/ra-flexible-software-package-fsp
注意
不需要单独安装e2studio,FSP平台安装程序会安装e2studio和使用FSP所需的所有其他工具。
由于这里使用RA6E2主控,仅安装RA系列软件包即可。
工程测试
由板载LED原理图可知,两个板载LED分别对应P113和P207管脚,均为高电平点亮。
工程创建
打开e2studio软件;
依次点击文件-新建-瑞萨C/C++项目-Renesas RA;
依次进行工程命名,路径设置,FSP版本,目标开发板选择,Device选择R7FA6E2BB3CFM,工具链选择GNU ARM Embedded,调试器选择J-Link;
完成工程创建;
进入FSP配置界面,打开Pins标签页,选中P207 引脚,模式配置为初始低电平的输出模式;

同理,将P113管脚也配置为初始低电平的输出模式;
点击Generate Code按钮,生成工程代码。
代码
打开src/hal_entry.c文件,在主函数中添加如下代码:
左右滑动查看完整内容
voidhal_entry(void)
{
/*TODO:add your own code here */
while(1)
{
R_IOPORT_PinWrite(&g_ioport_ctrl, BSP_IO_PORT_01_PIN_13, BSP_IO_LEVEL_LOW);
R_BSP_SoftwareDelay(200, BSP_DELAY_UNITS_MILLISECONDS);
R_IOPORT_PinWrite(&g_ioport_ctrl, BSP_IO_PORT_01_PIN_13, BSP_IO_LEVEL_HIGH);
R_BSP_SoftwareDelay(200, BSP_DELAY_UNITS_MILLISECONDS);
R_IOPORT_PinWrite(&g_ioport_ctrl, BSP_IO_PORT_02_PIN_07, BSP_IO_LEVEL_LOW);
R_BSP_SoftwareDelay(200, BSP_DELAY_UNITS_MILLISECONDS);
R_IOPORT_PinWrite(&g_ioport_ctrl, BSP_IO_PORT_02_PIN_07, BSP_IO_LEVEL_HIGH);
R_BSP_SoftwareDelay(200, BSP_DELAY_UNITS_MILLISECONDS);
}
#ifBSP_TZ_SECURE_BUILD
/* Enter non-secure code */
R_BSP_NonSecureEnter();
#endif
}
注
代码可实现P103和P104输出电平循环交替反转。
保存文件,构建工程,使用J-Link调试和上传固件。
效果
两个板载LED交替闪烁:

总结
本文介绍了RA-Eco-RA6E2-64PIN-V1.0开发板的基本信息,包括产品特点、参数资源、开发环境搭建以及工程测试等,为相关产品的开发设计提供了参考。
如果在环境安装、引脚配置中遇到问题,或是有基于这款开发板的创意项目思路,欢迎在评论区分享~
环境搭建专题会持续覆盖更多RA系列开发板,关注瑞萨嵌入式小百科,让嵌入式开发起步更高效,后续还能解锁更多开发板的实用配置指南!
