慧能泰新一代超低功耗高效供电控制器HUSB363A介绍
是时候给你的充电器“升级大脑”了。
超低功耗
安全高效
小体积
......
这大概就是传说中的“别人家的孩子(芯片)”吧!

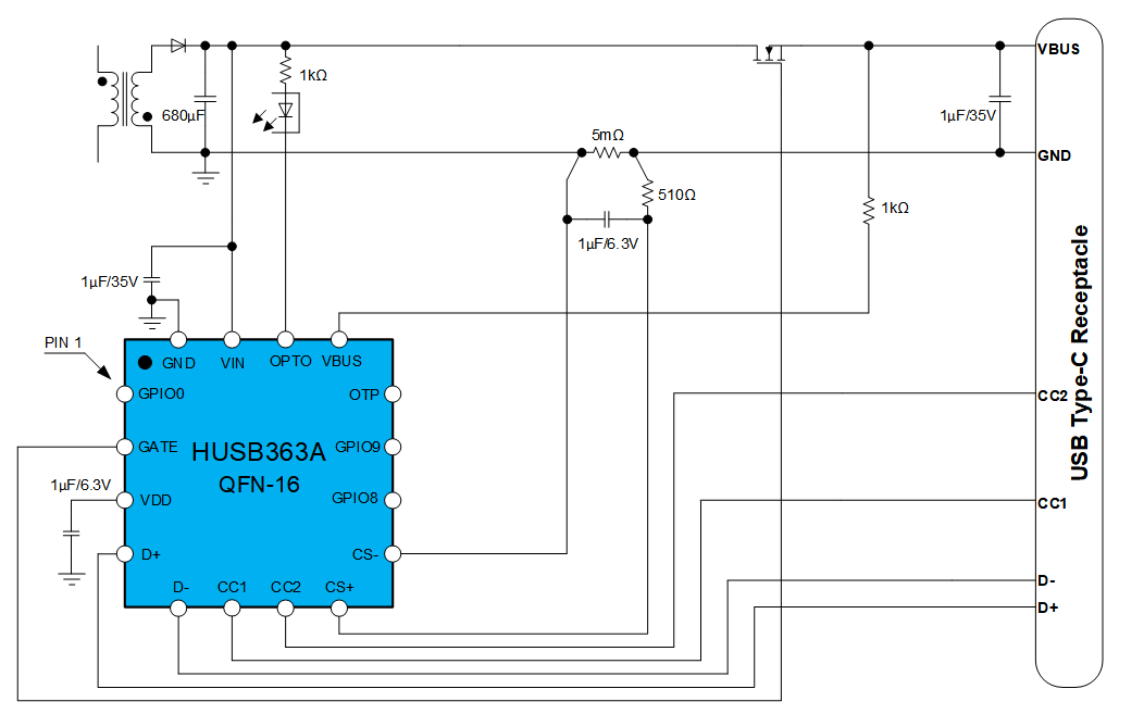
图1:HUSB363A Demo
为满足不同产品的设计需求,HUSB363A提供QFN4x4-16L和QFN4x4-24L两种紧凑型封装可选。HUSB363A和HUSB363等芯片Pin to pin管脚兼容,可以直接升级替换HUSB363。

图2:HUSB363A引脚定义
HUSB363A集成了电流环和电压环,不需要外置TL431,外围电路简洁。

图3:HUSB363A QFN-16L封装典型应用电路

图4:HUSB363A QFN-24L封装典型应用电路
HUSB363A待机功耗低至100 uA,这意味着即使充电器长期插在插座上,其能耗也几乎可以忽略不计。
HUSB363A创新性地集成了SR DRAIN电压检测功能,可以实现LPS、AC高低压侦测。有效防止采样电阻单点失效等异常情况对设备造成损害,为用户的设备安全保驾护航。
HUSB363A支持外部VSNS分压反馈,可以实现更高电压输出,不被芯片耐压限制。可应用于两轮车、三轮车、四轮车充电器,电动工具充电器,扫地机充电器中。慧能泰还推出了使用HUSB363A作为通用握手协议的一整套中大功率ACDC电源适配器/充电机方案。

图5:慧能泰中大功率ACDC电源适配器/充电机方案
HUSB363A特性
支持PPS的USB Type-C PD供电控制器
– 符合USB Type-C Rev.2.4
– 符合USB PD Rev.3.2
支持多种DPDM充电协议
– BC 1.2 DCP和Divider 3
– QC 4/QC 4+、QC 2.0/3.0/3+
– AFC、FCP、SCP
– PE 1.1+/2.0
– Apple 2.4A
– UFCS
集成高端NMOS门极驱动和继电器驱动
超低阻抗采样电阻采集输出电流
支持VBUS弱上拉,对于Type-C转Lighting线可以实现休眠
支持轻载检测电流低至5~10 mA
支持高阻抗Type-C线兼容性提升
GPIO灵活可配实现客制化需求
支持硬件线补,动态负载响应更快
两路PWM通道,可用于风扇调速控制
MCU内核自带20 kB MTP存储空间
完备的故障保护机制:过压保护、过流保护、短路保护、过温保护、欠压保护、CC过压保护及热关断
可配置I2C从机/主机模式
内置11位 ADC
±3 kV HBM ESD
免费送样
Hynetek
HUSB363A现已开放样品申请,可扫描下方二维码或点击文末“阅读原文”申请免费样品。更多优质产品信息,欢迎联系我们了解。
关于慧能泰半导体
深圳慧能泰半导体科技有限公司是一家专注于智慧能源控制技术的公司,主要面向智能快充和数字能源领域,提供高性能数模混合芯片产品。公司总部设立在深圳前海,同时在上海、浙江杭州、美国加州设有研发中心。慧能泰的核心研发团队来自国内外顶尖半导体公司,拥有强大的研发创新能力。公司现已获多项授权专利,拥有独立自主知识产权,并于2020年被评为“高新技术企业”,2023年获评国家级专精特新“小巨人”企业。
目前,慧能泰已完成了围绕USB Type-C生态链的整体产品布局,开发并量产了多款产品:供电端的多系列PD Source协议芯片,受电端的高性能PD Sink(PD 诱骗芯片)、Type-C端口控制器(CC Logic),线缆端的USB eMarker(电子标签芯片)。成立以来,慧能泰连续推出多款业界领先的产品并广受市场欢迎。公司芯片出货量逾10亿颗,标杆性客户有联想、小米、三星、HP、贝尔金和努比亚等。同时,慧能泰也致力于提高能源利用效率、研究能源控制技术,借助自身的技术研发优势,面向ICT(通信服务器)、数据中心、光伏逆变器、储能等工业应用,研发数字电源控制芯片、高压驱动芯片、电源转换芯片和模块等产品。
慧能泰半导体肩负着“芯智慧 芯能源,共建绿色未来”的使命,立志成为业界领先的智慧能源控制技术供应商。
