思瑞浦推出国内首款满足ASIL-D功能安全等级的全国产车规级BMS AFE产品组合——TPB79818Q/TPB79828Q/TPB7717Q
聚焦模拟和数模混合
聚焦高性能模拟与数模混合产品的供应商思瑞浦3PEAK(股票代码:688536)依托成熟的高压工艺、高精度ADC、REF技术能力以及大批量车规产品量产经验,推出国产车规级BMS模拟前端产品组合:TPB79818Q/TPB79828Q为18串高集成AFE,专注电池精准监测与均衡控制;TPB7717Q为通信桥接芯片,确保AFE与MCU间稳定通信。该组合具备全国产化供应链、高精度监测、ASIL-D功能安全等优势,可为新能源汽车与储能系统提供高可靠、高性价比的国产化BMS解决方案。目前已通过头部动力电池和储能BMS客户验证。
01
产品优势
高精度真同步满足ASIL-D功能安全电压监测,夯实电池安全与能效基础
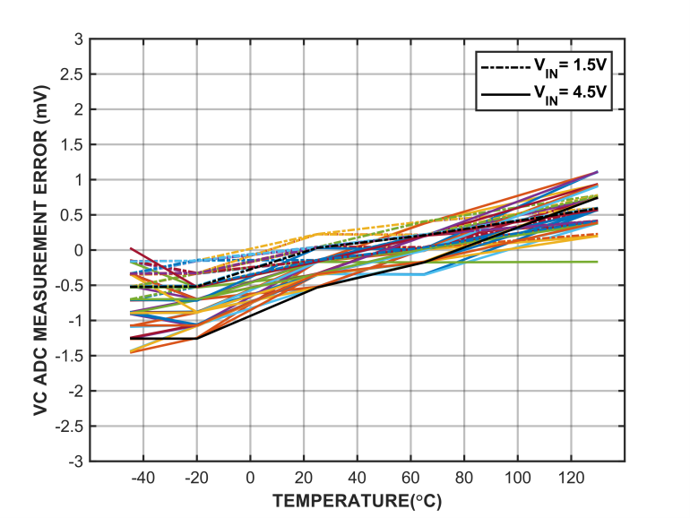
TPB79818Q作为核心单元,搭载18路高精度ADC,支持真同步电压采样,常温精度达±1mV,全温范围(-40℃~125℃)内精度为±1.5mV,其冗余架构满足ASIL-D功能安全要求。其衍生版本TPB79828Q进一步集成高精度24位电流ADC,测量误差≤±0.1%,可精确监测充放电电流与估算电池容量,为电池安全与寿命管理提供关键支撑。

图1 18路同步采样

图2 冗余架构设计

图3 全温高精度
五重热管理机制,为电池安全与使用寿命提供支撑
TPB79818Q/TPB79828Q具有全面的温度监测与管理功能:
11路NTC高精度温度采样,精度±1℃,实现电芯温度全监控;采用完全冗余架构,温度监控可靠安全;
可配置NTC OT/UT保护电路,休眠状态自动控温;灵活设置NTC采样点,PACK/PCB保护阈值独立设置;
内置2路片上温度计,精度±3℃,实现温度精确监控;
内置芯片热报警及热关断逻辑,实现过热情况下的快速响应;
内置分布式温度计,监控高压均衡管温度,智能关断;

图4 五重热管理设计
稳定可靠的长距离通信能力,提升系统物理布局灵活性
优异通讯抗干扰能力,支持共模输入电压高达±20V,支持单节双绞线长达40m稳定通讯。

图5 不同线长通信信号关键参数对比

图6 菊花链通信波形_40m
智能化安全均衡功能设计,提升电池包全生命周期可用容量
均衡管Rdson=~1Ω,最小化芯片内部发热;
自定义PWM,灵活配置均衡电流,最大300mA;
支持休眠均衡,多条件智能暂停/关断均衡电流,安全高效;
定时到期,stop;
电芯欠压,stop;
电芯过温阈值(配合NTC),pause;
均衡电阻过温阈值(配合NTC) ,pause;
均衡管过温保护,pause;
检测到故障,stop;


图7 智能均衡
优秀电磁兼容能力设计,支持乱序热插拔,适配汽车及储能严苛运行工况
电磁干扰(EMI)性能满足CISPR25标准最高等级Class5要求
抗电磁干扰性能满足ISO7637相关测试要求
抗静电能力满足ISO10605标准接触式±20KV以及空气式±25KV
支持任意通道乱序热插拔,经10万次循环热插拔测试无故障

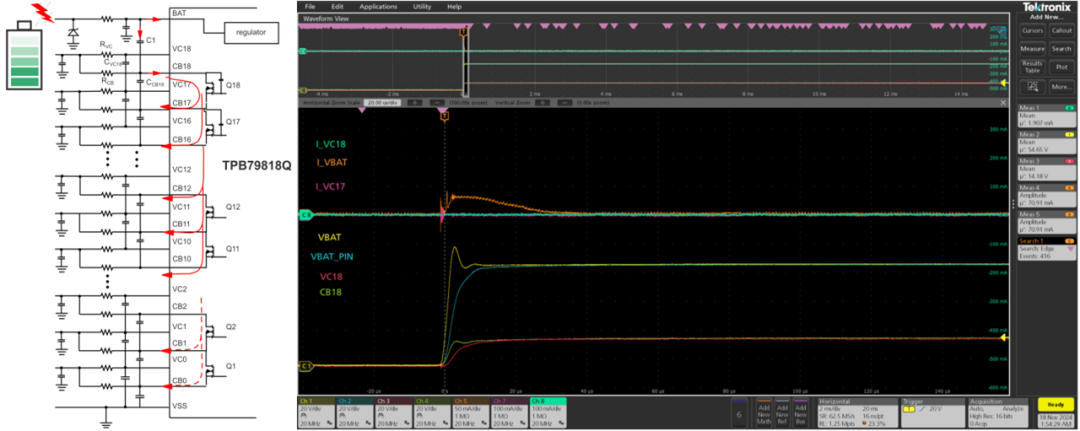
图8 热插拔测试——BAT热插拔

图9 电磁兼容测试汇总
ASIL-D高安全等级,为BMS系统安全稳定运行提供保障
TPB79818Q/TPB79828Q/TPB7717Q芯片组通过ISO 26262 ASIL-D最高等级认证,为车规BMS提供高功能安全保障。其内置多重硬件保护机制,可实时监测电压、温度、电流等关键参数,异常时快速切断危险回路。集成高可靠性均衡管及智能保护,支持多种均衡模式。产品具备完备自诊断与故障报警功能,确保系统安全稳定运行。

图10 ISO26262认证
02产品特性
•全国产化:自主可控,产能可控;
•符合ISO 26262功能安全标准:系统及硬件可满足ASIL-D级要求,可提供功能安全设计手册;
•每个器件可测量6至18节串联电池,单器件最高支持耐压120V;
•菊花链通信,支持变压器和电容隔离,最多支持64个器件级联;
•18路专用高精度ADC和独立电流高精度ADC
电压ADC全温典型采样精度可达±1.5mV
电流ADC全温典型采样精度可达±0.1%,零漂误差<7.5uV(TPB79828Q only)
•11个用于温度传感器/模拟/数字/SPI控制器的GPIO;
•内部均衡:300mAmax,PWM 调节电芯平衡电流;
•宽温工作范围:-40℃ to 125℃。
03典型应用
TPB79818Q/TPB79828Q与TPB7717Q是一套全国产、高精度、高可靠的车规级BMS AFE组合芯片。它聚焦新能源汽车与工业储能两大核心领域。
在新能源汽车中,该组合负责动力电池的电压、温度、电流监测与均衡控制,满足严苛的车规安全标准。在储能领域,它适用于各类储能产品,保障电池长期稳定运行。
其中,TPB79818Q/TPB79828Q实现精准监测与均衡,TPB7717Q提供稳定通信桥接,二者协同构建了完整的BMS通信监测链路,为关键应用提供国产化核心解决方案。

图11 动力电池应用

图12 工商业储能应用
