解析Si IGBT与SiC MOSFET的根本区别
摘要:
面对高效、紧凑的电力电子系统需求,功率器件的选型已成为设计核心。当前,SiC MOSFET与硅基IGBT是两大主流技术路线,各具性能与成本优势。厘清二者本质差异、精准估算损耗并明确适用场景,是优化系统设计的关键。本文将从材料与结构出发,解析Si IGBT与SiC MOSFET的根本区别,探讨其损耗机理与计算方法。
引言:
功率器件的性能,直接决定了电力电子系统的效率、能耗与可靠性,是影响设备成本与竞争力的核心。其中,器件损耗是制约效率提升的关键瓶颈,精准计算与优化损耗始终是工程师关注的重点。以第三代半导体SiC为材料的MOSFET,凭借其出色的高频性能、低损耗与耐高温特性,正成为中高端应用的主流选择。本文将深入解析硅基IGBT与SiC MOSFET在材料与结构上的根本差异,系统阐述其损耗计算方法,并结合典型应用对比二者性能与适用场景,为工程选型与优化提供清晰参考。
1、材料特性
SiC材料具有更高的禁带宽度、击穿电场强度和热导率,使其在高温、高压、高频工况下表现出显著优势。相比之下,硅基IGBT受限于材料物理极限,在高频应用中开关损耗急剧上升,效率明显劣化。SiC MOSFET不仅具备更快的开关速度,还可在更高结温下稳定工作,有效降低散热需求与系统体积。相关材料参数如表1所示。这些本质差异决定了二者在损耗分布与热管理设计上的根本不同,也为后续精准建模与优化提供了理论基础。基于材料特性的差异,SiC MOSFET在导通损耗和开关损耗方面均显著优于Si IGBT。

2、器件结构
Si IGBT 通常采用N型衬底、P型缓冲区和N+发射区的四层结构,并通过栅极控制PN结的导通与关断,其内部寄生的PNP晶体管与MOSFET结构形成复合工作模式,这使得它在高压大电流应用中能实现较低的导通压降,但也带来了开关速度相对较慢、存在拖尾电流等问题。图1为IGBT 器件结构。相比之下,SiC MOSFET则有平面栅和沟槽栅两种结构类型。平面栅SiC MOSFET 因相对成熟的设计与工艺,成为当前市面上的主流产品。图2是平面型SiC MOSFET器件的结构。SiC MOSFET利用SiC材料高击穿场强的特性,可以设计更薄的漂移区,从而显著降低导通电阻。同时,SiC MOSFET为单极型器件,不存在少子存储效应,因此开关速度更快,开关损耗尤其是反向恢复损耗大幅降低。


图1 IGBT器件结构 图2 平面型SiC MOSFET器件结构
3、损耗计算
3.1 SiC MOSFET损耗计算
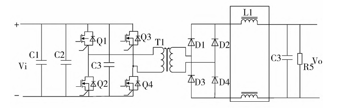
电路的拓扑结构如图3所示。逆变部分拓扑为单相H桥,主要由SiC MOSFET及与其反向并联的二极管组成。SiC MOSFET具有双向导通特性,即当栅源极电压大于开启电压时,无论漏源极电压Vds是正值还是负值,沟道均可导通。

图3 DC/DC变换电路拓扑
MOSFET总损耗主要由导通损耗和开关损耗组成。对于整流部分的不控全桥整流,损耗主要是整流二极管产生的。
(1) 导通损耗。额定工况下,SiC MOSFET模块的导通损耗与MOSFET的导通压降、导通电流及占空比有关。

(2) 随着开关频率的提高,开关损耗在整个器件损耗中的比例也变得比较大。开关损耗包括开通损耗和关断损耗两部分。在给定的环境条件下,器件导通或关断时的能量损耗可通过间接地将电流和电压相乘再对时间积分得到。

(3) 二极管导通损耗:

(4) 二极管开关损耗为:

(5) SiC MOSFET单管损耗为:

3.2 IGBT损耗计算
IGBT模块的开关损耗由IGBT的开关特性决定,与其集-射极间电压Vce及集电极电流Ic有关。损耗计算公式如下所示。

其中:Pon为开通损耗,Poff为关断损耗,ton为开通时间,toff为关断时间,vce为集-射极间电压,ic为集电极电流。
基于前人提出一种基于数据手册估算IGBT模块开关损耗的计算方法,该方法最早是典型IGBT模型生产商在其数据手册中给出的。利用线性插值的方法可以得到关断损耗:

式中:Eoff为关断能量,Poff为关断损耗,Ic为集电极电流,toff为关断时间,Aoff、Boff为待定系数。

除此之外,该方法还可以考虑到当实际功率电路中门极电阻Rg、电路电压Vcc和温度Tj与数据手册中的不同时,开通损耗的计算:

式中:user代表实际测量的数据,data代表数据手册中的数据。利用二次插值的方法可以得到开通损耗:

式中:Eon为开通能量,Pon为开通损耗,Ic为集电极电流,ton为开通时间,Aon、Bon、Con为待定系数。

展开可以求出Aon,Bon,Con。基于数据手册的开关损耗计算方法的优点是直接使用数据表中数据,简单方便,缺点是计算不精确。供应商提供的数据是基于实验室条件下的数据,而在实际工况下运行条件与供应商的实验工况不一致,其开关能量曲线必然有一定差异,计算损耗也会不同。
4、结论
IGBT与SiC MOSFET的竞争本质上是性能与成本的战略平衡。IGBT凭借双极结构的低导通压降,在中低频、大电流领域成本优势显著,但其关断拖尾电流导致开关损耗大、频率受限。
SiC MOSFET则利用宽禁带特性,实现了高频、低开关损耗和耐高温运行,极大地提升了系统效率和功率密度,但器件成本较高。因此,在追求极致效率和高频化的高端应用中,SiC MOSFET是必然方向;而在对成本敏感的传统高功率领域,IGBT仍是可靠经济的成熟选择。
